ControlPoint Technologies

Mechanical Engineer I


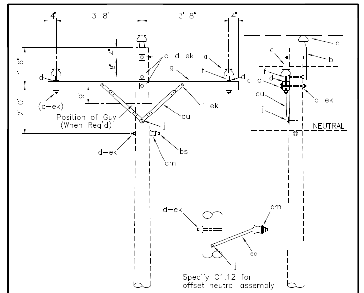
-Designed large spans of high-voltage utility poles and underground utility installations.


-Made selections of pole and guy wire sizing/location for physical load support.


-Made selections of conductor material/size, fusing size, and transformer size based on electric load conditions.


-Drafted design sketches to highlight key design components for customers and construction teams.